c7网页登录入口地址是什么

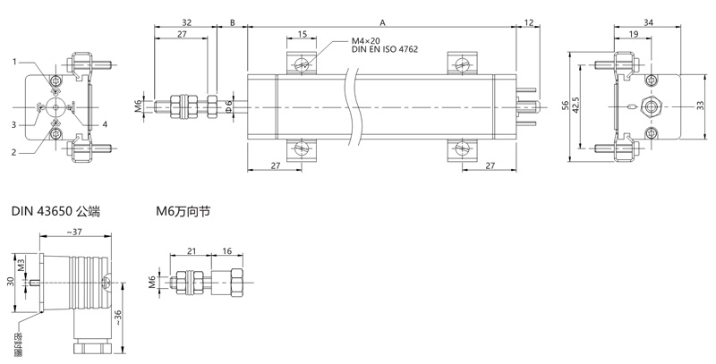
压装专用传感器
压装专用传感器
NS-WY03系列 位移传感器
NS-WY03系列 位移传感器

  • 精度高、误差小、宽量程
  • 高分辨率、预期寿命长
  • 移动平滑、舒畅
  • 全进口材料
  • 防护等级IP54


推荐产品
RECOMMEND PRODUCTS
天沐传感器官网
更多传感器选型请点击
了解更多
NS-TH3C 系列 称重传感器

压机专用

具有抗侧向力和偏载能力

动态响应高
航空插座,便于安装
不锈钢材质
了解更多
NS-WY03系列 位移传感器
  • 精度高、误差小、宽量程
  • 高分辨率、预期寿命长
  • 移动平滑、舒畅
  • 全进口材料
  • 防护等级IP54



了解更多
NS-WY02系列 位移传感器
内置弹簧、自动复位
高分辨率、预期寿命长
精度高、误差小
移动平滑、舒畅
全进口材料

了解更多
NS-NJ8系列 静态扭矩传感器
量程:0~20KN·m
输出:1mv/V、0~±5/10V、4~20mA可选
精度:±0.2%F.S
了解更多
NS-TH3 系列 称重传感器
NS-TH3 系列轮辐式称重传感器结构;
简单、坚固,具有抗侧向力和偏载能力强
重心低、便于安装等特点;
被广泛应用在自动化控制系统中作为称量、测力等自动控制元件。
了解更多
NS-WL7系列 力传感器
通过双边的法兰盘进行连接
结构紧凑
不锈钢制造
了解更多
NS-WL6 系列 拉压力传感器
NS-WL6系列传感器采用中空设计
不锈钢制造
主要用于各种拉压力测试仪器,自动化设备,
内置传感器电缸等
了解更多
NS-WL5 系列 拉压力传感器
NS-WL5 系列传感器采用拉压结构
用于汽车压装、自动化组装,3C 产品测试等
具有温度特性好、具有抗过载能力强、工作稳定等特点
了解更多